Mz700 repair project

Jo Even
Site Admin
Posts: 153
Joined: Wed Jan 17, 2018 9:28 pm

Re: Mz700 repair project

Post by Jo Even »

Replacement F5 installed. A bit shiny yet as the paint is still slightly wet.
MZ700 F5 key installed.jpg
Colour doesn't match that well, but it was the closest thing I had. Also, with these kind of repairs I feel it's more "honest" when the repair is obvious.

Btw getting the right replacement springs is important. The ones I had were too stiff, which is really noticable when pressing the key.
Jo Even
Site Admin
Posts: 153
Joined: Wed Jan 17, 2018 9:28 pm

Re: Mz700 repair project

Post by Jo Even »

Plunger repaired with a bit of Lego:
MZ700 key plunger.jpg
CRG
Posts: 22
Joined: Tue Feb 05, 2019 10:11 am

Re: Mz700 repair project

Post by CRG »

I had a look at this myself. Seems a near perfect fit but as you said just needs filled down a bit.

The replacement keys looks great.
Jo Even
Site Admin
Posts: 153
Joined: Wed Jan 17, 2018 9:28 pm

Re: Mz700 repair project

Post by Jo Even »

Second attempt at the arrow key. It works, but it doesn't look quite right. I have to make several adjustments to make this look good.
MZ700 arrowkey.png
MZ700 arrowkey.png (1.11 MiB) Viewed 63108 times
The good news is that it will be quite easy to make other keys once this has been finished.
CRG
Posts: 22
Joined: Tue Feb 05, 2019 10:11 am

Re: Mz700 repair project

Post by CRG »

Fantastic work with the keys.

I haven't had much of a chance the last few days to do anything on the MZ-700 but I thought I'd take an hour last night and actually try to run something on it. Nothing is ever simply though and problems... I don't own any tapes so I used the MZF2WAV program and converted a copy of basic (the first one on the downloads page). So i boot up the MZ type L hit CR and start playing the WAV file trying both my PC and my phone connected to the read port on the back and nothing. I've tried multiple volume levels, tired the switch inside at both positions, tried altering the settings of the MZF2WAV software but no luck. Any advice? I hoping its just a matter of the MZ being fussy rather than a possible further fault.

So to test this I was hoping someone could point me in the direction of somewhere I can buy a copy of basic on tape that I can try with my MZ's tape deck? I've found a few places selling games etc but I thought it better to start with BASIC. As I understand I need it to load some games anyway.

EDIT: I think I should just confirm the model of MZ-700 I have is the 711 so should not require the modification to read from the read port. I have also tried this with the tape drive both connected and removed, tried 2 different cables and I can confirm I have previously used a similar method to successfully load software onto my MSX all be it the MZ ain't an MSX but its just that a similar method has worked for me before.
Jo Even
Site Admin
Posts: 153
Joined: Wed Jan 17, 2018 9:28 pm

Re: Mz700 repair project

Post by Jo Even »

CRG wrote: Wed Feb 27, 2019 10:02 am Fantastic work with the keys.
Thanks, but the arrow key needs a lot of refinement to look good. The MZ keys looks simple, but if you study them more closely you'll see that they curve in just about every direction and it's not easy to create an exact match.
CRG wrote: Wed Feb 27, 2019 10:02 amI don't own any tapes so I used the MZF2WAV program and converted a copy of basic (the first one on the downloads page). So i boot up the MZ type L hit CR and start playing the WAV file trying both my PC and my phone connected to the read port on the back and nothing.
I write WAVs directly to tape using a tape recorder. I had to experiment with the volume settings but now it works every time. I've written quite a few games to tapes using this method.

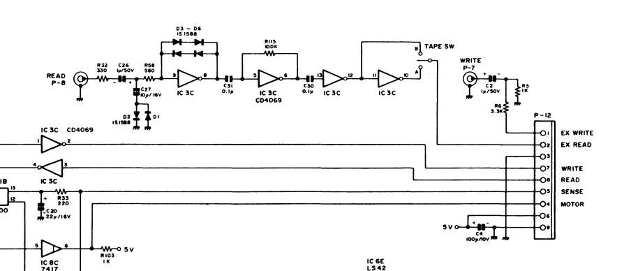
Another thing - does the external tape input/output even work when a datarecorder is connected? I don't think so. Take a look at the schematics for the datarecorder connector:
MZ700 tape connector.png
MZ700 tape connector.png (58.99 KiB) Viewed 63086 times
As you can see the external input/output is *not* connected to the 8255, but to the datarecorder connector pins 1 and 2. And these pins are not connected on the datarecorder plug, so there is no way for the datarecorder to route these signals to the 8255. I'm positive that you need to disconnect the datarecorder and jump pin 2 to pin 8 to route the external read signal to the 8255.

The following quote from the service manual seems to confirm this:
When the external recorder is used, connection is made with the 8255 by shorting P-12.
CRG
Posts: 22
Joined: Tue Feb 05, 2019 10:11 am

Re: Mz700 repair project

Post by CRG »

Hmmm, I see you are correct as.per the schematic I'd need to jumper pins 2 and 8 but I could of swore I read somewhere that the 711 model did not need this. Perhaps when originally sold without the inbuilt tape drive there was a jumper in here making this contact that someone removed when fitting the tape drive, who knows.

I'll give this a go later, thanks.

In terms of the keys I was wondering if it would be easier to sand down the rough 3d printed key into shape?
Jo Even
Site Admin
Posts: 153
Joined: Wed Jan 17, 2018 9:28 pm

Re: Mz700 repair project

Post by Jo Even »

CRG wrote: Thu Feb 28, 2019 8:52 am Hmmm, I see you are correct as.per the schematic I'd need to jumper pins 2 and 8 but I could of swore I read somewhere that the 711 model did not need this. Perhaps when originally sold without the inbuilt tape drive there was a jumper in here making this contact that someone removed when fitting the tape drive, who knows.
I believe you are correct, there was probably a jumper installed on the 711.
CRG wrote: Thu Feb 28, 2019 8:52 amIn terms of the keys I was wondering if it would be easier to sand down the rough 3d printed key into shape?
Maybe if you're making only one single key, but if it's correctly modelled in the first place it's much easier to repair more keyboards :) And a lot more satisfying.
CRG
Posts: 22
Joined: Tue Feb 05, 2019 10:11 am

Re: Mz700 repair project

Post by CRG »

Good point on the key, better to get the design correct so it can be used over and over again easily.

Thinking about the external read/write ports further would it be feasible to solder in a wire permanently on the underside of the board to link pins 2 and 8 for read and pins 1 and 7 for write. Could I then fit a switch to reverse these so pins 1 and 8 are linked and 2 and 7 are linked that would in theory allow me to record WAV files from the PC onto a tape using the deck and vice versa?

I'll give it a go tonight just jumpering 2 and 8 and hopefully bring some life to the MZ
Jo Even
Site Admin
Posts: 153
Joined: Wed Jan 17, 2018 9:28 pm

Re: Mz700 repair project

Post by Jo Even »

CRG wrote: Thu Feb 28, 2019 1:25 pmCould I then fit a switch to reverse these so pins 1 and 8 are linked and 2 and 7 are linked that would in theory allow me to record WAV files from the PC onto a tape using the deck and vice versa?
You must also disconnect the datarecorder's read/write signal from the 8255 when doing this. Instead of modifying the motherboard you could make a short cable between the motherboard and datarecorder, and do the switching there.
Post Reply