Page 1 of 3
MZ2TAPE: Fast transfer 100ko / min through the tape socket / MZ2TAPE : Transfert rapide 100ko/min par la prise cassette
Posted: Fri Jun 08, 2018 9:34 am
by Pacman
FR :
Bonjour,
Voici la documentation de la mise à jour majeure de MZ2TAPE permettant de transférer des programmes par la prise cassette avec un taux de 100k octets par minutes minimum.
Cette version s'applique uniquement pour les programmes binaires lancés depuis le moniteur.
Bonne lecture.
EN:
Hello,
Here is the documentation for the major update of MZ2TAPE to transfer programs through the cassette socket with a rate of 100k bytes per minute minimum.
This version only applies to binary programs launched from the monitor.
Good reading.
Re: MZ2TAPE: Fast transfer 100ko / min through the tape socket / MZ2TAPE : Transfert rapide 100ko/min par la prise casse
Posted: Fri Jun 08, 2018 11:44 am
by hlide
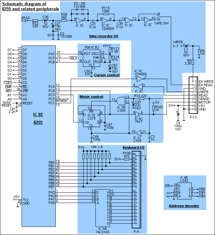
It won't work. MOTOR signal can only be input for Arduino. This signal is to trigger on/off the motor mechanism on MZ-1T01 - on Arduino, it is used to determine if the transmission should be resumed (motor-on) or paused (motor-off).

- mz8255-2.gif (23.74 KiB) Viewed 24789 times
Re: MZ2TAPE: Fast transfer 100ko / min through the tape socket / MZ2TAPE : Transfert rapide 100ko/min par la prise casse
Posted: Fri Jun 08, 2018 1:21 pm
by Pacman
This MOTOR terminal is called M-ON, whereas here MOTOR is called SENSE: bit 4 PC4 of E002
P133 of the manual in French.
The fast transfer works perfectly, I tried it all day yesterday on about fifty programs.
Re: MZ2TAPE: Fast transfer 100ko / min through the tape socket / MZ2TAPE : Transfert rapide 100ko/min par la prise casse
Posted: Fri Jun 08, 2018 2:10 pm
by hlide
Arduino side, you must connect P-12 with :
1 - N.C
2 - N.C
3 - N.C
4 - MOTOR (Arduino input, the same value as MZ input PC4)
5 - SENSE (Arduino output, MZ has no direct access through a PCx - but toggling it reverts the MZ input PC4 under the condition of not using PC3 as output to toggle the value of PC4 while toggling SENSE).
6 - +5V
7 - WRITE
8 - READ
9 - GND
So what you're doing is using:
5 (SENSE), 7 (WRITE) and 8(READ)
PC1 = 7
PC5 = 8
PC4 = ~5 (inverted signal)
Code: Select all
| A | B | C | D | A
__________
PC1 -> 7 ____/ \______
____
8 -> PC5 ...><__0__/ 1 >< ...
__________
~5 -> PC4 ________/ \__
Re: MZ2TAPE: Fast transfer 100ko / min through the tape socket / MZ2TAPE : Transfert rapide 100ko/min par la prise casse
Posted: Fri Jun 08, 2018 3:09 pm
by Pacman
Yes and WDATA and RDATA are also reversed by an MOS 4069 (see doc)
Re: MZ2TAPE: Fast transfer 100ko / min through the tape socket / MZ2TAPE : Transfert rapide 100ko/min par la prise casse
Posted: Fri Jun 08, 2018 3:16 pm
by Pacman
In the doc above (mz2tape_transfert_rapide.tar.gz), it has the explanations of the transfer and especially the temporal diagram of the signals.
SENSE connect to port 15 on Arduino
WRITE DATA connect to port 18 on Arduino
READ DATA connect to port 19 on Arduino
GND to GND on Arduino (off course)
(cf listing mz2tape.ino line 17 to 23)
Re: MZ2TAPE: Fast transfer 100ko / min through the tape socket / MZ2TAPE : Transfert rapide 100ko/min par la prise casse
Posted: Fri Jun 08, 2018 3:22 pm
by hlide
Ok, I was under the impression there was only one page, my mistake. Reading...
Re: MZ2TAPE: Fast transfer 100ko / min through the tape socket / MZ2TAPE : Transfert rapide 100ko/min par la prise casse
Posted: Fri Jun 08, 2018 3:24 pm
by hlide
Bon je vois que tu as fait à peu près tout ce que je voulais faire (inclure le code dans le commentaire du header, etc.) - à un détail près - n'avoir que 2 signaux au lieu de 3.
Re: MZ2TAPE: Fast transfer 100ko / min through the tape socket / MZ2TAPE : Transfert rapide 100ko/min par la prise casse
Posted: Fri Jun 08, 2018 6:15 pm
by Pacman
FR:
Ah ? je ne savais pas que tu voulais faire ce genre de chose. J'avais ça dans mon placard depuis quelques années : J'ai retrouvé mes notes la semaine dernière d'où l'implémentatrion rapide et surtout la plateforme pour le faire, car à l'époque l'arduino n'existait pas encore.
Pour un système à 2 fils (genre i2c) pourquoi pas, mais je pense que le taux de transfert sera forcément plus lent. De plus on a a notre disposition 2 signaux en sorties et 2 signaux en entrée mais le signal M-ON (dit aussi MOTOR PC3 de E002) est 2 fois plus lent.
EN:
Ah? I did not know you wanted to do this kind of thing. I had it in my closet for a few years: I found my notes last week from where the fast implementation and especially the platform to do it, because at the time the arduino did not exist yet.
For a 2-wire system (like i2c) why not, but I think the transfer rate will necessarily be slower. In addition we have at our disposal 2 output signals and 2 input signals but the M-ON signal (also called MOTOR PC3 of E002) is 2 times slower.
Re: MZ2TAPE: Fast transfer 100ko / min through the tape socket / MZ2TAPE : Transfert rapide 100ko/min par la prise casse
Posted: Fri Jun 08, 2018 7:57 pm
by Pacman
FR:
J'ai l'intention de proposer un circuit complet a intégrer dans un boitier en remplacement du lecteur de cassette du Sharp MZ-700 avec un atmel, l'afficheur et le lecteur SD.
De plus j'avais aussi dans l'idée de modéliser un boitier de remplacement afin de l'imprimer et de l'intégrer dans le sharp.
Je ne sais pas si tu avais l'intention de proposer ça, mais si c'st le cas je peux te laisser faire.
EN:
I intend to propose a complete circuit to integrate in a box in replacement of the cassette player of the Sharp MZ-700 with an atmel, the display and the reader SD.
In addition I also had the idea to model a replacement box in order to print it and integrate it into the sharp.
I do not know if you intended to propose that, but if it's the case I can let you do it.