Help: Sharp MZ 700 short fuse with video connection

folkoh
Posts: 7
Joined: Sat May 28, 2022 4:10 pm

Help: Sharp MZ 700 short fuse with video connection

Post by folkoh »

Hello,

I am new to the SHARP community. I have quite a collection of 8-bit computers running. I normally have no big issue repairing them, but now I've encountered an issue I am not sure how to deal with. If anyone can contribute to help me narrowing down the issue I 'd be very grateful.

The story starts here:

I couldn't resist to bid for a SHARP MZ-731 as it was darn cheap, it looked sealed but which as much dirt on it as it was stored in dried-out mud lake for decades. I gave it a shot and got it.

I disassembled it to find the inside of the computer looked fairly alright. Did a lot of case/keys cleaning, a bit retrobrighting and then had a look at the PSU.

I took it out of the machine, looked inside, no signs of any damage incl. capacitors, fuse ok. Then I plugged it in and the voltage ~ 5V looked pretty okay or at least not harmful.

So I dared to put everything back together and turned the Sharp on. The power light comes on and the plotter is making its start-up procedure. I have a winner, so I thought.

My goto video monitors for 8-bit computers are an old Zenith monochrome (for amber nostalgia) and the super versatile Commodore 1084 which never fails my for anything.

As the computer did not come with a video cable and I do not have yet soldered something fitting the DIN RGB connector I figured I will simply switch the video output to B/W with the switch next to cinch plug and use this one. Upon turning on the computer with the monitor connected the fuse in my house went BOOM.

After disconnecting I could say the fuse did its job - nothing was harmed as far as the monitor or other equipment is concerned.
I checked the PSU again, the fuse in the PSU is fine, the voltage is fine and turning the Sharp on still works, power light, Plotter startup etc.

I scratched my head and thought I give it another try with the C=1084 (very stupid, daring, I know). Same result: BOOM. Luckily still everything works.

So okay...fool me once... I will not continue based on my own stupidity. The mistake I am making is probably fairly obvious, but I just cannot figure out why something is shorting nor why it should from connecting a monitor.

The cinch cable I am using is working fine I checked it. It is used for these kinds of connections on other computers with no problem.

Even if I solder the RGB / DIN connector I do not dare connecting it again to anything before I understand what is happening.

Any ideas?

Thank you.

Cheers,

Folko
hlide
Posts: 688
Joined: Thu Jan 25, 2018 9:31 pm

Re: Help: Sharp MZ 700 short fuse with video connection

Post by hlide »

Which country? 110V? 220V? Western or Japanese MZ-700? And so on.

First, does it happen only when connected to a screen?

Does it run without cinch cable?

Does it run with cinch cable connected?

Because you may have a short-circuit when connecting a cinch cable to MZ-700.

Please open the case of MZ-700 and the RF-box too and check there is no short-circuit on RF/composite output connector.

Do you have an oscilloscope? you could check your composite output signal.
folkoh
Posts: 7
Joined: Sat May 28, 2022 4:10 pm

Re: Help: Sharp MZ 700 short fuse with video connection

Post by folkoh »

Hello thanks for your reply.

Some answers:

- 220V
- Western MZ 700 (731)
- As described it runs w/o cinch cable
- as long as not connected to a monitor it runs with the cinch cable plugged in

Hmm, I do not understand your statementthat I may have a short-circuit when connecting a cinch to the MZ700. Why, or how? The cable is alright, so how can it "cross the beams" just by plugging it in?

Anyhow I will open the RF Box next and report.

Thanks again.
hlide
Posts: 688
Joined: Thu Jan 25, 2018 9:31 pm

Re: Help: Sharp MZ 700 short fuse with video connection

Post by hlide »

Did you invert the connection? I mean connector A was on MZ-700, B on screen. What would happen if B on MZ-700, A on screen? I'm not asking to do so but if you happened to check that also.

As a matter, for some reason, using that cable provokes a surge. Did you check the voltage of you cinch cable? polarity? And so on.
folkoh
Posts: 7
Joined: Sat May 28, 2022 4:10 pm

Re: Help: Sharp MZ 700 short fuse with video connection

Post by folkoh »

How can I invert? It is only one cinch cable(connector). And it works 100% fine on other 8-bits. I checked that it doesn't change polarity within this single connection as well.

I connect it here:
DUNT-1151ACZZ_3.jpeg
Here is the RF/video unit, case opened. I can see some hear has occurred around some solder joints, but this should not be the cause I guess.
Do you observe something suspicious?
DUNT-1151ACZZ_1.JPEG
DUNT-1151ACZZ_2.JPEG
hlide
Posts: 688
Joined: Thu Jan 25, 2018 9:31 pm

Re: Help: Sharp MZ 700 short fuse with video connection

Post by hlide »

https://www.sharpmz.no/articles/the-mz- ... he-mz-700/

It seems you plug the right connector so far.

I guess your cinch cable it is an RCA cable (yellow one, I already used them to connect a TV).

If you have an oscilloscope, you should probably check whether the signal is right. This one is for a color composite:
NTSC_Signal.png
NTSC_Signal.png (52.38 KiB) Viewed 35214 times
hlide
Posts: 688
Joined: Thu Jan 25, 2018 9:31 pm

Re: Help: Sharp MZ 700 short fuse with video connection

Post by hlide »

Here is what I got on a MZ-800 in monochrome monitor video output:
signal-10µs-8MHz.jpg
hlide
Posts: 688
Joined: Thu Jan 25, 2018 9:31 pm

Re: Help: Sharp MZ 700 short fuse with video connection

Post by hlide »

For my experimental MZ-700 I used an Amiga SCART cable. Dupont wires to connect the inner RGB connector to DB23 (yes I know we should add resistors to decrease the TTL voltages). Color are too vivid but at last you can test as well.
IMG_20201129_172702.jpg
folkoh
Posts: 7
Joined: Sat May 28, 2022 4:10 pm

Re: Help: Sharp MZ 700 short fuse with video connection

Post by folkoh »

Well, more thanks.

While the SCART connection is interesting in general, I first need to find out why I get the short circuit.

I will check with an oscilloscope but I will need some time as I am not very familiar with it, rarely ever used it. Hope this will bring some insight on what is coming out of the cinch.

Still looking for a general explanation why a video signal results in a short circuit on connecting a monitor and why so dramatically while there seems no impact on the PSU fuse... I need to understand before I reconnect the MZ 731 to anything via Cinch, DIN plug or SCART.

Cheers,

Folko
hlide
Posts: 688
Joined: Thu Jan 25, 2018 9:31 pm

Re: Help: Sharp MZ 700 short fuse with video connection

Post by hlide »

MZ-700 is only using 5V from the PSU and it seems you checked it. RF-box is only powered with 5V as far as I know. So the issue is about the current intensity (well that's the function of a fuse). I would say if you have a multimeter, put it in intensity mode with the highest max value and check what the intensity is. You could check on the power input of the motherboard, on the connector P-9 and on composite video from RF-box.

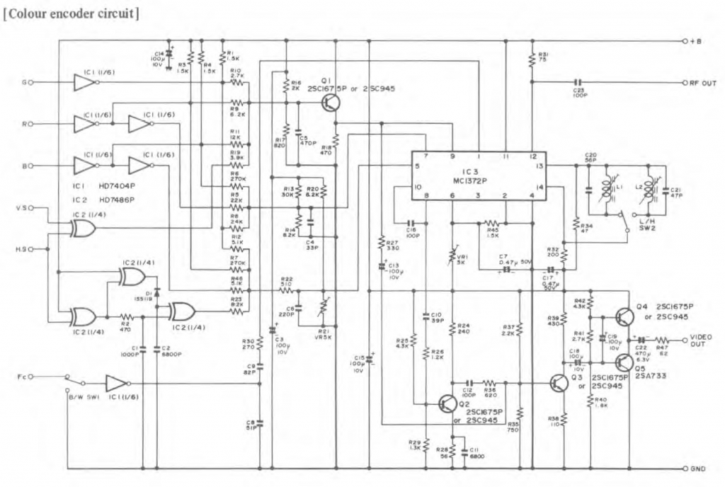
My assumption is the RF-box is the culprit. As soon as you used the composite video plug, it seems like there is surge of current. If you look at the schematic there are a lot of components between the input and your video output. Moreover, the schematic indirectly shows that the DIN8 is in "direct" connection to P-9 because that DIN8 is also TTL digital and you can't see that DIN8 in the schematic (and it makes logical why CVIDEO and CSYNC are done on the motherboard and not on the RF-board).
rf-box.png
So if you want to check something, DO NOT use the composite output of the RF-board. Maybe the RF-out is working but catching RF on a TV is a big challenge. Or, simply use an Amiga SCART, connect R, G, B, CSYNC and GND to it.

With oscilloscope, you can check the CVIDEO (pin 3) on connector P-9 (unconnected from RF-box). It is not used by RF-box and seems to generate a TTL composite video with no color gradient.
Post Reply