Page 1 of 2
RGB to VGA for MZ-700
Posted: Sat May 04, 2019 9:56 pm
by TextAdventureKing
Can anybody recommend to me a cheap RGB to VGA adapter for an MZ-700?
Re: RGB to VGA for MZ-700
Posted: Sun Jul 12, 2020 9:36 am
by Sharpals
Re: RGB to VGA for MZ-700
Posted: Fri Oct 09, 2020 9:43 am
by psmart
Depending on your TV/monitor, you dont need a special adapter.
On the MZ-700/MZ-800 I have made up a standard cable, 8 pin DIN plug (RGB + VSYNC + HSYNC) to a 15pin VGA male plug and it drives a Samsung 40" TV, a MAXIT 11" monitor and an OSSC Scan Converter perfectly well. The frequency of the output is 15.625KHz Horizontal and 60/50 Vertical and the VGA inputs cope perfectly. For analogue VGA, RGB voltage limit is 0.75V for max brightness, the MZ-700/MZ-800 is driving it at 5V, ie. digital not analogue, so you could add a resistor to drop the voltage to 0.75V but from what Ive observed, all analogue VGA inputs already voltage clamp, but if you want to be safe, add a 420R resistor in series from each of the RGB outputs to the VGA input, which in effect creates a 420/75 divider.
One note, bought an MZ-700 to SCART cable of EBAY a year back and tried using it on my recently renovated MZ-800 without success, when I tried it on my new MZ-700 tranZPUter board I was getting strange signals on V/H sync so I pulled it apart and was a bit perplexed at what I saw. Basically the manufacturer had wired CSYNC + HSYNC + VSYNC together, seemed to work fine on the MZ-700 but not on the MZ-800. Electrically this is not sound, the outputs of the MZ-700 are directly from a 7417 IC which means all 3 outputs are shorted together, not even via a current limit resistor, so I would recommend anyone needing a cable to make their own cable not buy one off Ebay (or buy one and remove the HSYNC+VSYNC wiring to CSYNC).
An old thread but hope the above helps anyone with a similar requirement.
Re: RGB to VGA for MZ-700
Posted: Fri Oct 09, 2020 11:10 am
by hlide
If I recall well, I cannot use the MZ-700 CSYNC for SCART VIDEO. I had to use CVIDEO. That's because I use an Amiga DB23-to-SCART cable and CVIDEO is connected to SCART pin #20 (composite video). If I want to use CSYNC, to which SCART pin it should be connected?
For MZ-800, what is your opinion about
https://www.fixedpoint.nl/other/obsolet ... -scart.pdf ?
EDIT: ah, the link is for an MZ-700, nevermind...
Re: RGB to VGA for MZ-700
Posted: Fri Oct 09, 2020 11:19 am
by hlide
Oh, I could use VSYNC/HSYNC/CSYNC to connect the RGB SELECTOR (FAST BLANK)... But I recall Atari using HSYNC or VSYNC to do so makes some glitches on modern TV.
Re: RGB to VGA for MZ-700
Posted: Fri Oct 09, 2020 11:29 pm
by psmart
SCART uses pin 20 (Video In) as the CSYNC input when using RGB and pin 16 is tied high or pin 20 for the composite video when pin 16 is tied to ground.
I looked at the document posted and this is how the cable I bought was wired but connecting an output which is high to an output which is low will yield a value based on the strongest transistor or a middle voltage as I was seeing. The 7417 being open collector with a 220R source resistor and 3 in parallel reduce the resistance to 73.33R allowing more current to pass, so if a single transistor is low and two are high, your asking it to sink more current, well above its design and the output line will thus not go to 0V or 5V (in reality approx 1.27V as the 220R should drop about 3.7V into a 75 ohm load) but somewhere in between and same when two transistors are low and one is high, they are still being asked to sink more than their design parameters. The 7417 is more tolerant which allows the above to sort of work at the limits of the driver and the SCART spec but the 74LS365's used in the MZ-800 isn't as tolerant. Also Im not sure why connecting CSYNC + HSYNC + VSYNC is required when only CSYNC is needed for the RGB SCART mode. I modified my cable to remove HSYNC + VSYNC just connecting CSYNC and it functions perfectly.
If you don't have a CSYNC then using a diode OR gate of VSYNC + HSYNC is possible with low forward voltage drop fast switching diodes which should suffice (I havent tried it with SCART but I have used diode OR gates in other situations and they work well).
Re: RGB to VGA for MZ-700
Posted: Sat Oct 10, 2020 10:08 am
by hlide
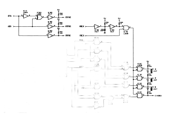
Argh... you're right. For some reason, I thought my SCART cable was using CVIDEO but I checked again the connection and it is /CSYNC indeed as it makes more sense here. What annoys me is the difference between CVIDEO and /CSYNC as I would expect/CSYNC be mixed in CVIDEO.
But the schematics says /CSYNC is an XOR of very short signals /SYN and /HSY while CVIDEO mixes an AND of very long signals /VBLK and /HBLK.

- Sans titre.png (54.3 KiB) Viewed 23959 times
Re: RGB to VGA for MZ-700
Posted: Sat Oct 10, 2020 11:13 am
by psmart
I need to double check what I said above as I cant remember whether I tested the modified cable on the original MZ700 hardware or my new board (which has selectable +CSYNC and /CSYNC). CSYNC on SCART should be positive whereas the MZ700 is negative. Although not electrically correct it may be working through a sleight of hand by shorting /VSYNC+/HSYNC+/CSYNC.
I will double check when I get back and update my post to ensure the information is not misleading.
Re: RGB to VGA for MZ-700
Posted: Sat Oct 10, 2020 1:42 pm
by hlide
Code: Select all
/SYN | /HSY | /VSYNC | /HSYNC | /CSYNC
-------+--------+--------+--------+--------
0 | 0 | 0 | 0 | 1
0 | 1 | 0 | 1 | 0
1 | 0 | 1 | 0 | 0
1 | 1 | 1 | 1 | 1
That looks correct: either /SYN or /HSY must be low to get /CSYNC low. If both is low, then /CSYnc must be high so the TV can still detect their changes.
PAL /csync:

- 20170715-scope-csync.png (43.61 KiB) Viewed 23957 times
Re: RGB to VGA for MZ-700
Posted: Fri Oct 23, 2020 6:00 pm
by psmart
Just had time to double check and I was wrong in terms of the cable wiring when I removed /HSYNC+/VSYNC+CSYNC and replaced it with just CSYNC working. It was my new board that works with just CSYNC but on the MZ700, even though it is not electrically sound, shorting /HSYNC + /VSYNC + CSYNC together works on the original hardware. On my MZ800 it doesn't work, reading the article above it should so Im guessing CSYNC driver has failed (as you would expect when shorting signals together), will need to check and possibly replace the driver.
Lovely scope output, is that a PC based scope or standalone? I use a Micsig 4 channel standalone device which is excellent too, just great to have such detail. Gone are the days of the old analogue Tektronix (which I still have but has so many spider webs and rust, I doubt it will get used again!!!!)